【鋼架粘貼法】
粘貼式石材板幕墻工程鋼架粘貼法適用于石材板直接粘貼于鋼架之上的幕墻、柱體。
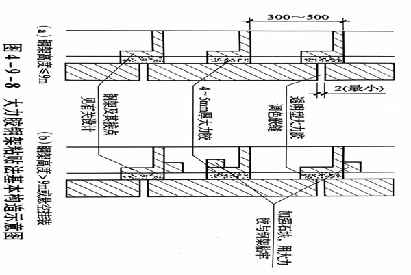
1.基本構造
大力膠鋼架粘貼法基本構造如圖4-9-8所示。
2.工藝流程
與粘貼錨固法施工工藝基本相同。

3.施工要點
(1) 與粘貼錨固法施工工藝基本相同。
(2) 不同的是,將鉆孔、剔槽、不銹鋼錨件安裝等工藝變為鋼架安裝焊接工藝。
(3) 當鋼架高度大于9m或懸空掛裝時,為了增加黏結面積需沿鋼架粘貼一加強石塊,并用大力膠與鋼架粘牢。

近年來,在裝飾市場有專門用于石材粘貼掛裝工藝的不銹鋼鋼架及鋼架配件,安裝比傳統的焊接工藝更方便、快捷。

我們公司位于東莞東城,有做幕墻工程等項目需求的朋友,誠摯歡迎大家前來洽談,我司可為您提供幕墻設計、幕墻施工安裝、幕墻維修、幕墻報價等服務,免費提供幕墻工程項目咨詢服務。http://www.specim.com.cn/